Skip to main content

62-9MP - Insertion Thermal Mass Flow Meters

Multi-point Capabilitity For Large Duct, Pipe, And Stack Gas Measurements

  • Large pipe sizes
  • Emissions Control in Large Chimneys
  • Turbulent Flow Profiles

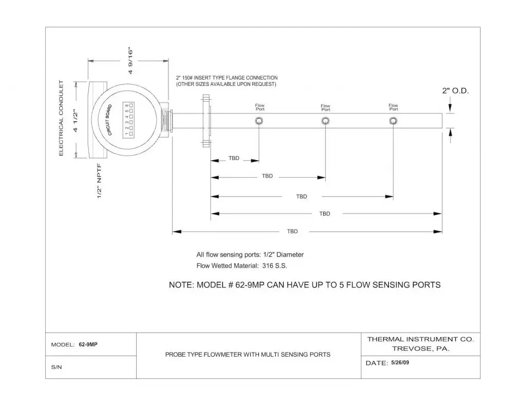
Our Model # 62-9MP Insertion Probe is the perfect solution for large ducts, pipes, or stacks where air or gas measurement is required. The Thermal Instrument multi-point probe allows for up (6) flow measurement locations across a pipe, duct, or stack utilizing our thermal mass technology. The flow is measured at different points across the insertion probe and then that flow information is averaged out and sent as one average flow to the electronic transmitter. With built in alarm capability your operator will even know when an issue has occurred and the flow has been disrupted or altered in any way. This is also a great instrument when your application has non-laminar flow, or turbulent flow, in large ducts, pipes, or stacks. With the ability to take multiple flow measurement points, our flow meter can take into effect all the different flow profiles and then transmit that data so that it can be used to effectively manage a process. We still encourage a flow profile analysis be performed in order to ensure that the best locations are chosen for flow measurement.

Product Images

Do You Have Any Question For Us?

Processing...